Main Banner Desktop
flucatomaquinas

F Lucato Máquinas

Unverified company Unverified company
map-marker

自从 2020

map-marker

巴西

关于我们

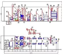
谷物加工机器,从接收(筛子、干燥机、筒仓)到加工(剥离、抛光、分拣、研磨、压榨、挤出、造粒,到称重、袋装、包装和捆扎)。

主要市场

  • 非洲
  • 南美洲

更多关于
F Lucato Máquinas

icone de usuario

10-50

员工

sales icon

2M - 10M

销售额(美元)

icone de exportar

80%

% 出口销售额

1954

Year

成立年份


业务类型
  • Industry / Manufacturer

关键词
  • 谷物加工机

联系方式和位置
  • icone de usuario Flávio ********
  • icone de telefone +55 19********
  • map-marker Limeira / SP | 巴西

提出您的要求

提出您的要求